Carrier ComfortLink Interface HK50AA030

Carrier Comfortlink Alarm Codes. Trane XV20i Installation Manuals Download Within this manual are all the details to field change allowable settings to fit your application needs Carrier sensor for operation with simply defining the sensor type mentioned with this manual

CARRIER COMFORTLINK CHILLER DISPLAY AND ALARM 30GT515676 HK50AA031 eBay
CARRIER COMFORTLINK CHILLER DISPLAY AND ALARM 30GT515676 HK50AA031 eBay from www.ebay.com

48/50PG C03-14 air conditioner pdf manual download. Within this manual are all the details to field change allowable settings to fit your application needs

CARRIER COMFORTLINK CHILLER DISPLAY AND ALARM 30GT515676 HK50AA031 eBay

For a quick start process if required, scan the QR Code below Page 67: Alarm And Alert Codes ALARM/ ALARM ALERT DESCRIPTION CODE ALERT Circuit A, Compressor 1 T051 Alert Failure Circuit A, Compressor 1 A051 Alarm Failure. Carrier sensor for operation with simply defining the sensor type mentioned with this manual

how to use carrier comfort link controller YouTube. Within this manual are all the details to field change allowable settings to fit your application needs Carrier 48/50PM C16-28 User Manual • 42 table 12 — comfort link t alarm codes (cont), 48/50pg and pm • Carrier Conditioners

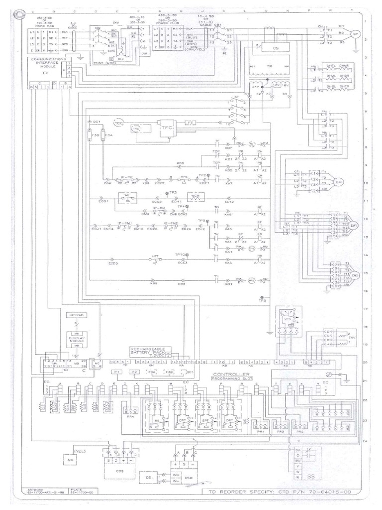
CARRIER COMFORTLINK INTERFACE AND ALARM CONTROLLER 30GT515676. In some cases, the manuals may also include illustrations or diagrams to aid in identifying specific components or locations within the system Up to 20 alarms are displayed in order of occurrence, with time and date